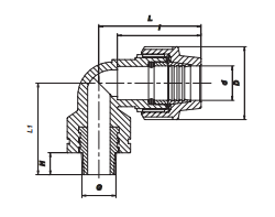
Elbow union 90°, with brass external thread, type Unidelta 1039
Connection type : compression fitting x external thread
Pressure : 16 bar
The Unidelta compression fittings have been specially designed for the connection of
polyethylene pipes with outside diameters between 16 mm and 110 mm.
and are compatible with all the standards EN 12201, ISO 4427, ISO
14236, ISO13460, DIN 8074 standards, made of PELD, PEHD, PE40,
PE80, PE100 compatible.
They are normally used for the conveyance of drinking water and liquids
up to 16 bar and for general applications.
applications.
Thanks to the properties of their materials, the fittings are resistant to the attack of
chemical substances and UV rays.
The Unidelta PP compression fittings are DVGW-tested.
At a water temperature of +20°C water the compression fittings can be used
can be used up to 16 bar.
Materials: Body/sleeve/cap nut: Polypropylene (PP-B) with high degree of stability and
stability and UV protection.
Seal: Nitrile rubber (NBR)
Sealing ring: Acetal resin (POM)
| Art.no. | Code | Dimension | D | L | I | L1 | H | Small packaging | Large packaging |
|---|---|---|---|---|---|---|---|---|---|
| 00004332 | 1039020002001 | 20 mm x 1/2“ | 46 | 68 | 54 | 64 | 14,5 | 65 pieces | - |
| 00004333 | 1039020003001 | 20 mm x 3/4“ | 46 | 68 | 54 | 66 | 16 | 65 pieces | |
| 00004334 | 1039025003001 | 25 mm x 3/4“ | 55 | 80 | 64 | 66 | 16 | 40 pieces | - |
| 00004335 | 1039032004001 | 32 mm x 1“ | 62 | 93 | 71 | 86 | 29 | 20 pieces | - |
| 00004336 | 1039040005001 | 40 mm x 1 1/4“ | 78 | 109 | 82 | 87 | 23 | 15 pieces | - |
| 00004337 | 1039050006001 | 50 mm x 1 1/2“ | 96 | 122 | 91 | 87 | 23 | - | 38 pieces |
| 00004338 | 1039063007001 | 63 mm x 2“ | 115 | 140 | 107 | 91 | 27 | - | 20 pieces |


